自動化機器人 KRC4 低壓電源件的作用及工作原理
發布日期:2022-07-20 09:52 ????瀏覽量:
1 機器人電機制動裝置
2 外圍設備
3 機器人控制系統電腦
4 KSP's
5 KPP
6 蓄電池
7 控制柜風扇
8 RDC
9 smartPAD
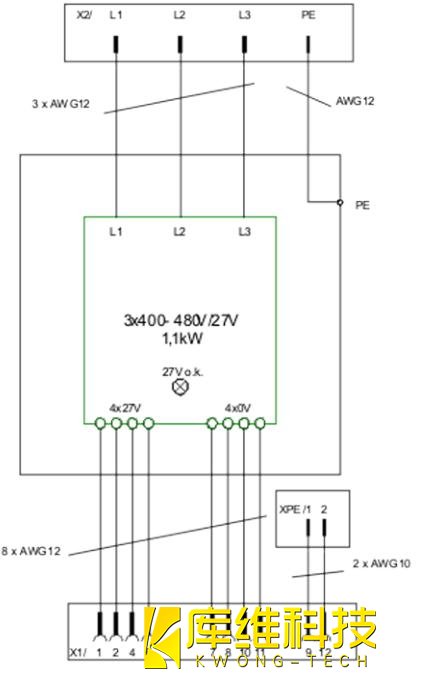
機器人電源件連接 3x400V AC 市電,
然后提供 40A 的 27V DV 輸出電壓
一個綠色 LED (輸出電壓 = 正常)顯示工業機器人低壓電源件的工作狀態。
工業機器人KRC 4 低壓電源件的原理電路圖
工業機器人KRC 4 27V 電源件的原理性接線圖如下

1 機器人控制系統必須保持關機狀態,并采取保護措施以防意外重啟。
2 控制系統已關閉。
3 電源線必須已斷電。
警告:即使在主開關關斷時,白色導線也帶有電源電壓! 在接觸導線時此電源電壓可造成致命傷害。
4 按 ESD 準則進行作業。
相關文章

常見的工業機器人主要有哪幾個種類?

機器人廠家如何助力企業提升競爭力與盈利能力

探秘優秀工業機器人制造商選擇秘籍:必備指南與實用建議

掌握最新自動化生產線技術,輕松提高生產效能!

切割機器人的五大應用領域及精選案例解讀

機械臂+LED顯示屏舞臺工程案例分析

工業機器人自動化:推動生產領域革新

自動化生產線工業機器人線束連接注意事項

自動化工業機器人控制設備安裝環境說明